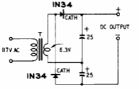
This full wave source uses germanium diodes, and its current is a few milliamps. We found it in an American documentation from the 60s.

This full wave source uses germanium diodes, and its current is a few milliamps. We found it in an American documentation from the 60s.
