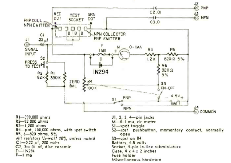
Found in Radio Electronics from May 1959, this transistor tester is quite sophisticated. The circuit uses a 1 mA analog indicator.
A negative floating regulator capable of supplying an output voltage of -100 V with regulation of 20 mV for...
Found in American documentation from the 90s, this circuit converts 28 V to 155 V with a frequency of...
We found this circuit in a 1997 documentation. Its purpose is to fan an inverter for fluorescent lamp...