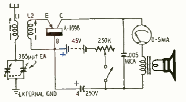
This receiver was found in the Radio Electronics magazine of March 1953. It tunes to the medium wave band and with the polarization adjustment it manages to excite a small loudspeaker.

This receiver was found in the Radio Electronics magazine of March 1953. It tunes to the medium wave band and with the polarization adjustment it manages to excite a small loudspeaker.
