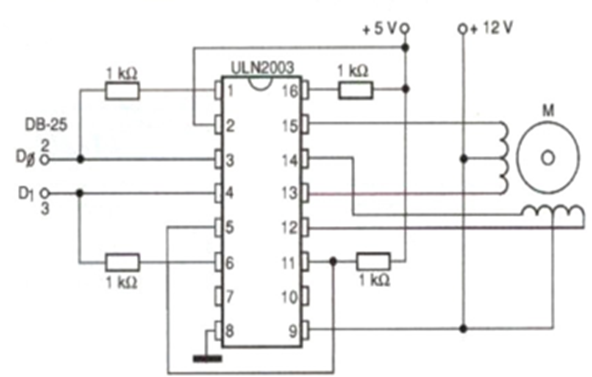
This circuit consists of a variation of the previous one, with the difference that we only have two inputs used. Thus, the coils are energized with the following sequence of input commands that can come directly from a PC's parallel port or TTL (or CMOS) digital logic.
Coil 1 – 00
Coil 2 – 01
Coil 3 – 10
Coil 4 – 11
In this case, the maximum current that the ULN2003 integrated circuit can supply is 500 mA per winding. See that here we have a dual power supply that must have 5 V for the internal logic and 12 V for the motor supply. It is important to note that the Cl ground on pin 8 must be common to the PC or digital drive circuit, and to the 12 V and 5 V circuits.





