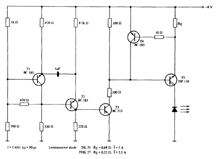
The circuit shown is from a Texas Instruments opto-electronics manual. RE depends on the peak voltage supported by the LED. Observe the polarity of the power supply. Low power transistors can be BC548 for NPN and BC558 for PNP.
The circuit shown is from a Texas Instruments opto-electronics manual. RE depends on the peak voltage supported by the LED. Observe the polarity of the power supply. Low power transistors can be BC548 for NPN and BC558 for PNP.