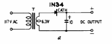
This simple unregulated half-wave font was found in old American documentation. The diode is germanium, and the current is a few milliamps.

This simple unregulated half-wave font was found in old American documentation. The diode is germanium, and the current is a few milliamps.
