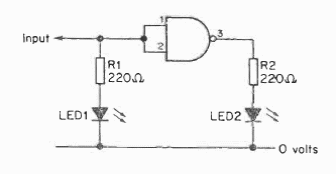
In the figure we have a simple logic level indicator for TTL circuits or powered by 5 V.
This circuit allows 220 / 240V shavers to be used in the 110V network. The diodes can be general...
Used with telephones at the time, this circuit was found in Popular Electronics from the 90s. The...
This circuit was obtained from an American 80's documentation. It can be implemented with modern...