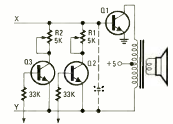
This simple Hartley circuit can generate two tones depending on the adjustment of the trimpots. The transistor can be any general-purpose transistor. We found it in the January 1979 issue of Radio Electronics.

This simple Hartley circuit can generate two tones depending on the adjustment of the trimpots. The transistor can be any general-purpose transistor. We found it in the January 1979 issue of Radio Electronics.
