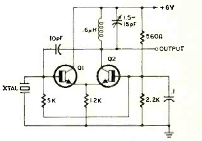
This oscillator for the fifth overtone of a crystal was found in a Radio Electronics magazine from May 1970. Transistors are RF types, and the transistor determines the maximum frequency achieved.
This circuit allows 220 / 240V shavers to be used in the 110V network. The diodes can be general...
Used with telephones at the time, this circuit was found in Popular Electronics from the 90s. The...
This circuit was obtained from an American 80's documentation. It can be implemented with modern...