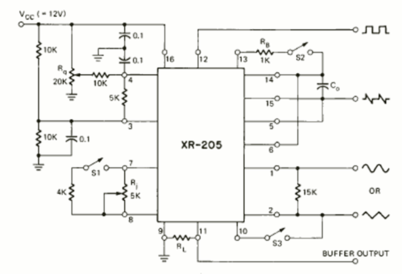
This circuit was found in the August 1972 issue of Radio Electronics magazine. The circuit generates 4 types of signals as can be seen in the diagram. The maximum frequency is around 20 kHz.
This circuit is from a publication from the 70s. The operational amplifier is from the period. Modern...
We found this circuit in the October 1992 issue of Radio Electronics magazine. The duty cycle can...
This circuit digitally counts input pulses. The circuit from a November 1970 Radio Electronics uses...