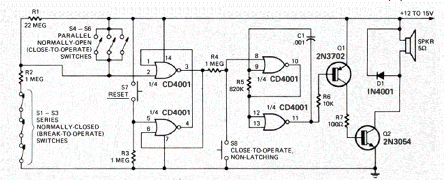
This alarm with NO and NC sensors was found in the January 1975 Radio Electronics magazine. The circuit emits a powerful sound that depends on the output transistor.
This two-color LED indicator was found in a Popular Electronics from the 90's. The transistor...
This circuit was found in a Radio Electronics from the 90's. It provides lower frequency signals from...
This monostable circuit uses one of the two flip-flops available on the CMOS 4098 integrated...