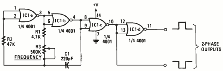
This is a common oscillator configuration that generates rectangular signals in phase opposition. This circuit is from October 1986 Radio Electronics.
This circuit is from a publication from the 70s. The operational amplifier is from the period. Modern...
We found this circuit in the October 1992 issue of Radio Electronics magazine. The duty cycle can...
This circuit digitally counts input pulses. The circuit from a November 1970 Radio Electronics uses...