Although it uses a dual-channel FET, which is hard to find today, this circuit was released in a Radio Electronics issue in April 1986. It serves as a signal booster for a wide range of frequencies.
This circuit is from a publication from the 70s. The operational amplifier is from the period. Modern...
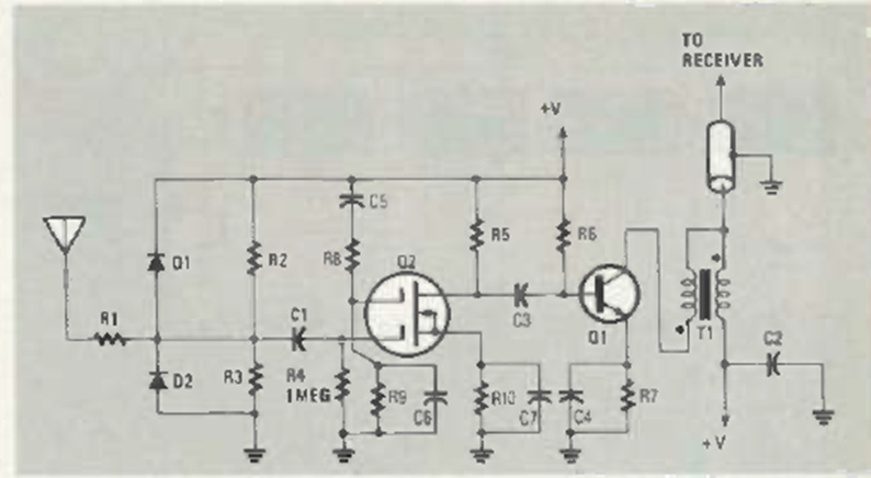
We found this circuit in the October 1992 issue of Radio Electronics magazine. The duty cycle can...
This circuit digitally counts input pulses. The circuit from a November 1970 Radio Electronics uses...