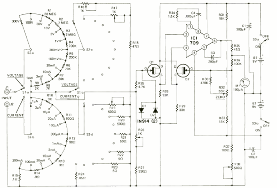
This multimeter with FET and 709 operational amplifier was found in the July 1972 Radio Electronics magazine. The circuit uses two 9 V batteries in a symmetrical source and the indicator is a 100 uA microammeter.
This multimeter with FET and 709 operational amplifier was found in the July 1972 Radio Electronics magazine. The circuit uses two 9 V batteries in a symmetrical source and the indicator is a 100 uA microammeter.