This monotone alarm oscillator circuit was found in July 1975 Radio Electronics magazine. Power is supplied by the output transistor.
This circuit is from a publication from the 70s. The operational amplifier is from the period. Modern...
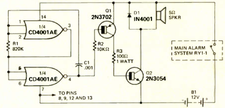
We found this circuit in the October 1992 issue of Radio Electronics magazine. The duty cycle can...
This circuit digitally counts input pulses. The circuit from a November 1970 Radio Electronics uses...