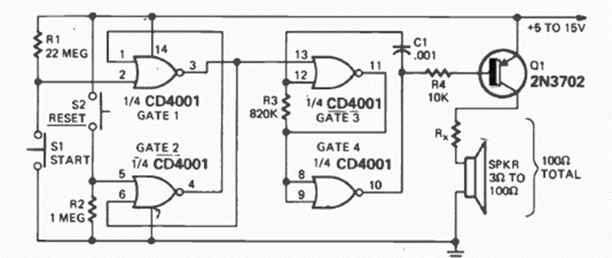
This alarm circuit triggers when S1 opens. The circuit from a January 1975 Radio Electronics magazine can be used with interrupt sensors connected in series.
This circuit can be used in a single optical link or optical communication system and even using an...
This circuit was found in an old Motorola documentation from the 70s, as it uses one of its...
Found in a 90s 73 magazine, this circuit provides an output of 1.5 A with 24 V from a 12 V source....