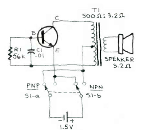
This simple general purpose transistor test is nothing more than a Hartley oscillator. The transformer is the type found in old transistor radios.

This simple general purpose transistor test is nothing more than a Hartley oscillator. The transformer is the type found in old transistor radios.
