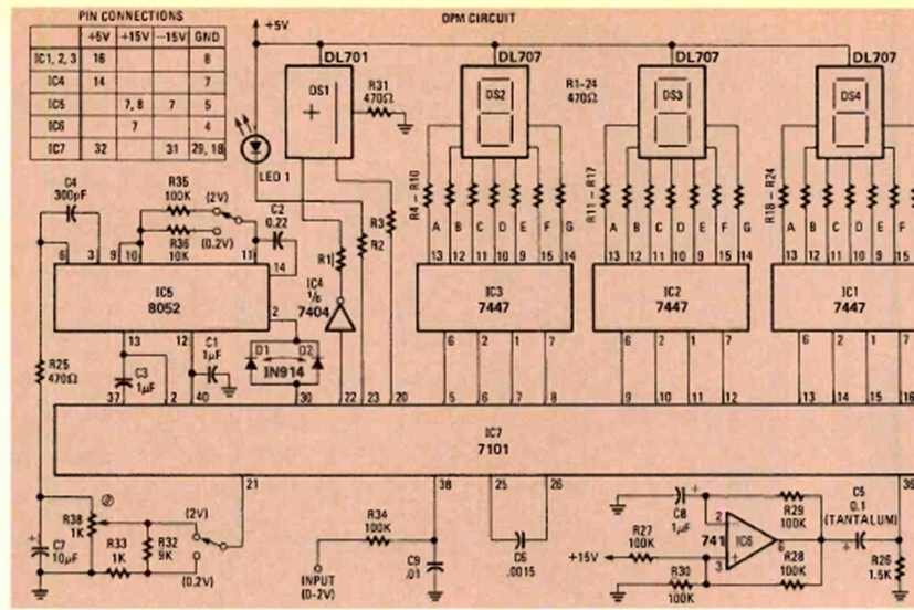
This circuit is from a March 1978 Radio Electronics magazine article that showed how to build it. The circuit is TTL based and is powered. The components used can still be found.
This circuit is from a publication from the 70s. The operational amplifier is from the period. Modern...
We found this circuit in the October 1992 issue of Radio Electronics magazine. The duty cycle can...
This circuit digitally counts input pulses. The circuit from a November 1970 Radio Electronics uses...