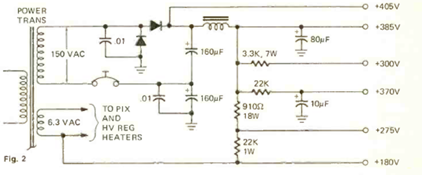
This power supply was featured in the December 1973 issue of Radio Electronics magazine. This type of circuit was used at the time to power tube televisions.
This digital mixer uses CMOS integrated circuits. The circuit was published by us in a magazine...
This precision circuit can provide timings from 0.2 milliseconds to 3 minutes accurately. The...
The amplifier presented is ideal for use in small monophonic sound systems, radios or televisions powered...