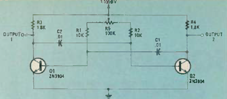
This common circuit is from September 1984 Radio Electronics. The transistors are general purpose, and the frequency is given by the capacitors.
This circuit is from a publication in the United States in the 1980s. The basic integrated circuit...
This circuit for controlling high power in the AC network was found in a Motorola documentation from 1968....
We found this circuit in an old documentation. Transistor can be BC548 and relay according to...