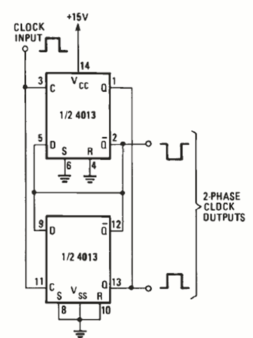
The figure shows how to obtain clocks in phase opposition using the 4013 IC. The circuit is from a Radio Electroncs from October 1986. The maximum frequency is a few megahertz.

The figure shows how to obtain clocks in phase opposition using the 4013 IC. The circuit is from a Radio Electroncs from October 1986. The maximum frequency is a few megahertz.
