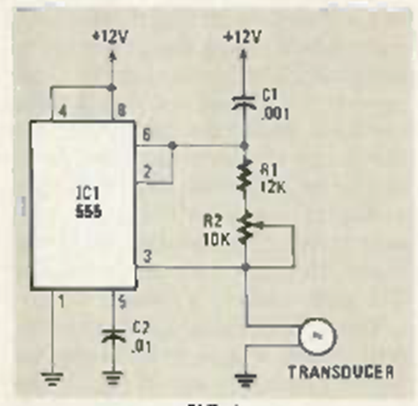
In the figure we have an ultrasound generator using a capacitive transducer that serves as a timing capacitor. The circuit is from Radio Electronics from November 1985.

In the figure we have an ultrasound generator using a capacitive transducer that serves as a timing capacitor. The circuit is from Radio Electronics from November 1985.
