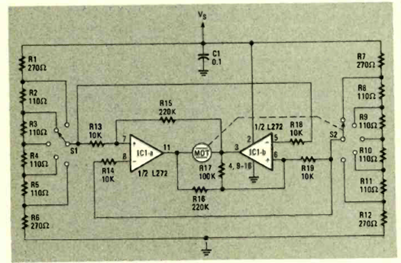
This DC motor control uses a power operational amplifier. We found it in December 1984 in the Radio Electronics magazine. The amplifier must be mounted on a heat sink and the maximum current is 1 A.
This digital mixer uses CMOS integrated circuits. The circuit was published by us in a magazine...
This precision circuit can provide timings from 0.2 milliseconds to 3 minutes accurately. The...
The amplifier presented is ideal for use in small monophonic sound systems, radios or televisions powered...