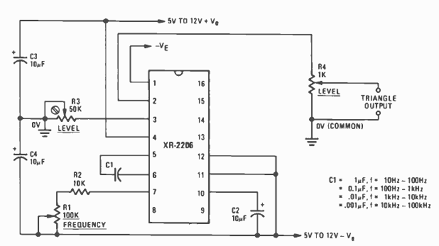
Found in an April 1977 Radio Electronics issue, this circuit uses the well-known XR2206. The C1 values for the various frequency bands are given next to the diagram.
This is the transmitter of the transmitter of a micro remote control that appeared in the November...
This is a classic FM amplifier IF amplification stage configuration. The circuit is from a 1980s...
August 2016 - It can be obtained from Mouser Electronics the new operational amplifiers series...