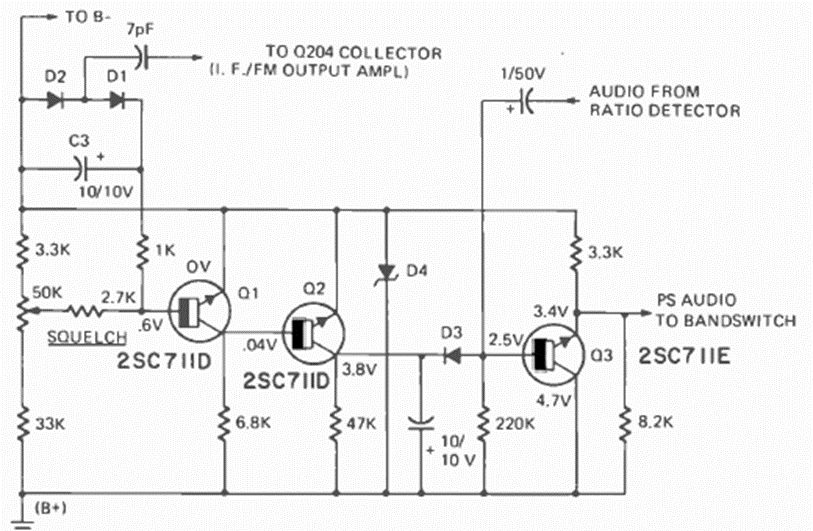
This circuit for communications receivers was found in the January 1974 issue of Radio Electronics magazine. The transistors are Japanese types of the time, as the circuit was part of equipment of that origin.
The integrated circuit used in this application is not currently common. The circuit is from 80s...
This circuit was obtained in an Electronic Design from the 90s. The circuit uses transistors from the...
This circuit hás a Power output of more than 1 W. It is used in small experimental or low power...