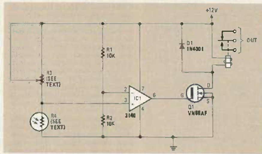
Unlike the previous circuit this one trigger when the temperature drops below the set value. The circuit is from June 1986 Radio Electronics magazine.
The integrated circuit used in this application is not currently common. The circuit is from 80s...
This circuit was obtained in an Electronic Design from the 90s. The circuit uses transistors from the...
This circuit hás a Power output of more than 1 W. It is used in small experimental or low power...