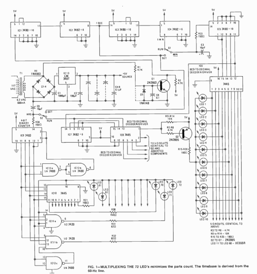
This interesting circuit in which the LED display is circular imitating a common clock appeared in the Radio Electronics magazine of May 1977. The power supply is included.
For those who like experimental circuits, here is a sequential flasher system with LEDs, which can be...
This circuit can be used in broilers, greenhouses, drying chambers to regulate the temperature in a simple...
This circuit consists of an electrostatic sensor that can check if a cable is energized by simply...