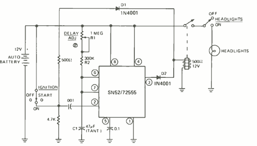
This circuit was found in February 1976, Radio Electronics magazine. The circuit is powered by 12 V and consists of an intermittently triggered timer.
For those who like experimental circuits, here is a sequential flasher system with LEDs, which can be...
This circuit can be used in broilers, greenhouses, drying chambers to regulate the temperature in a simple...
This circuit consists of an electrostatic sensor that can check if a cable is energized by simply...