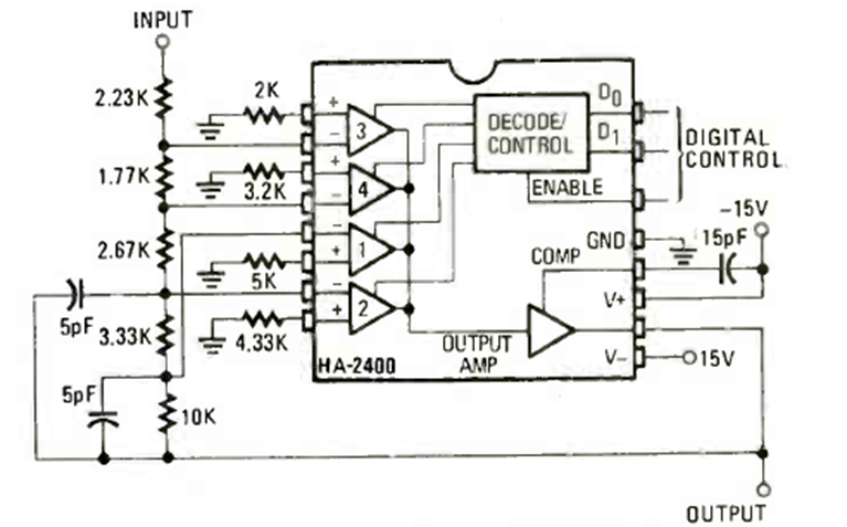
This circuit with the HA2400 was found in the March 1980 Radio Electronics magazine. The circuit has digital-gain control and must be powered by a symmetrical 15 V source.
This circuit was obtained in the SGS manual of linear integrated circuits of 1982. The components used...
This interesting circuit for analog TV selects the first line of a frame. The circuit was found in a...
This circuit was found in February 1976, Radio Electronics magazine. The circuit is quite...