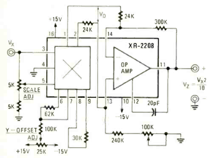
This circuit with the XR2206 IC squares the value of a voltage. The circuit was published in the April 1978 issue of Radio Electronics magazine and should be powered by a symmetrical 15 V source.
Found in a 90s 303 Circuits, this circuit uses the KTY10 sensor, widely used at the time. | Clique na...
May 2016 - Mouser Electronics has in stock the new Grayhill 5-inch touch displays type 3D50. The...
This circuit was found in an English publication from 1976. It generates sequential signals in the...