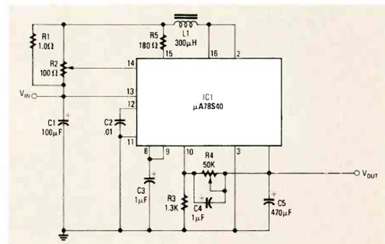
This step-down regulator was found in the December 1985 issue of Radio Electronics magazine. The circuit has an input voltage of 25V.
This small signal injector generator was found in the February 1971 issue of Radio Electronics magazine....
This amplifier, found in a 1981 publication, provides 15 W lHF power with a supply voltage of 14.4...
This simple passage alarm is powered by the power grid using an LDR as a sensor. The circuit is...