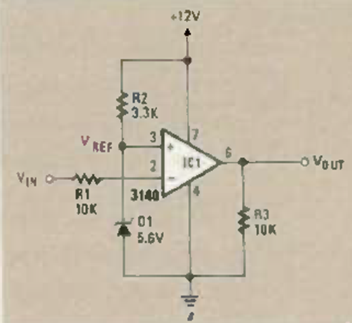
This basic voltage comparator circuit has a reference voltage given by a zener diode. The input used is the negative one. The circuit is from Radio Electronics from June 1986.

This basic voltage comparator circuit has a reference voltage given by a zener diode. The input used is the negative one. The circuit is from Radio Electronics from June 1986.
