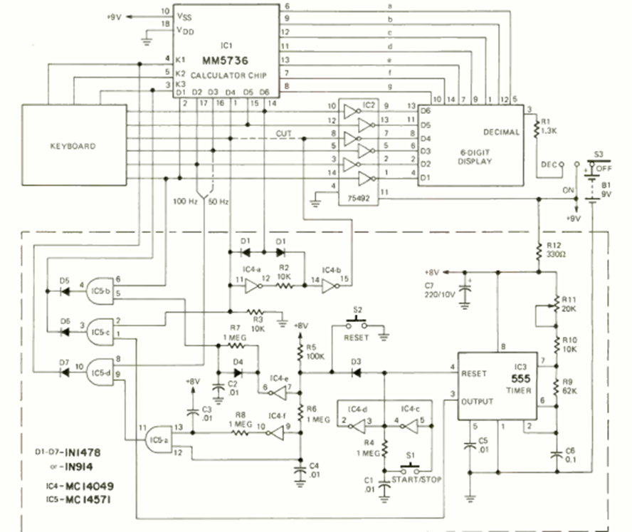
This circuit was found in February 1976, Radio Electronics magazine. The components are from the time and are based on the 555. The power supply must be provided with the indicated voltages.
For those who like experimental circuits, here is a sequential flasher system with LEDs, which can be...
This circuit can be used in broilers, greenhouses, drying chambers to regulate the temperature in a simple...
This circuit consists of an electrostatic sensor that can check if a cable is energized by simply...