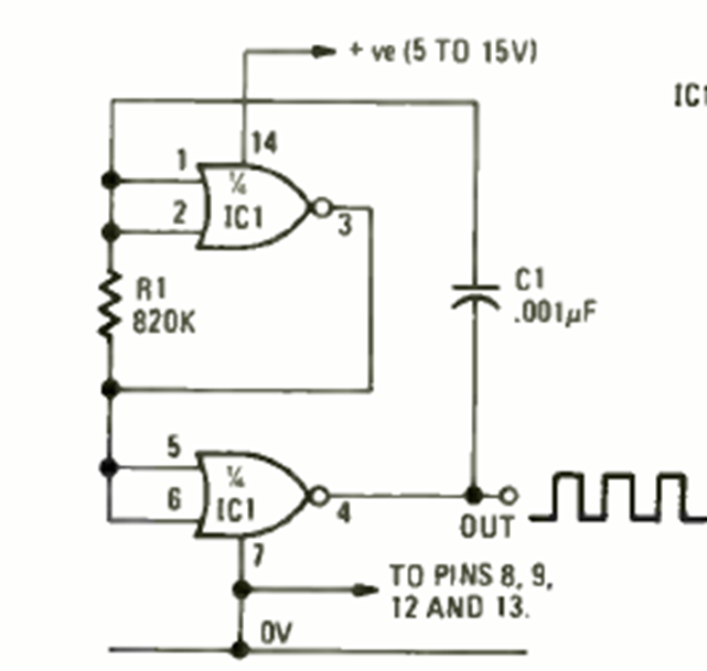
This basic CMOS 4001 circuit was found in the April 1976 issue of Radio Electronics magazine. The circuit generates rectangular signals, and the components can be changed to obtain other frequencies.
The circuit presented was found in a Motorola documentation from 19761, but it can be assembled with a...
This mixer uses only four passive component and can be used with high impedance sources. The input and...
The configuration shown is a flip-flop that can be triggered by means of two push buttons normally...