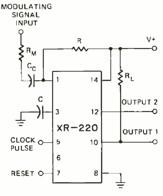
Found in the October 1972 issue of Radio Electronics magazine, this circuit generates modulated pulses. Capacitors C and R determine the frequency. The outputs are complementary.

Found in the October 1972 issue of Radio Electronics magazine, this circuit generates modulated pulses. Capacitors C and R determine the frequency. The outputs are complementary.
