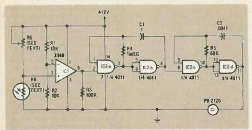
Based on the CA3140 IC, this circuit was found in the June 1986 issue of Radio Electronics. Sensitivity adjustment is made using a trimpot in series with the sensor.
The circuit presented was found in a Motorola documentation from 19761, but it can be assembled with a...
This mixer uses only four passive component and can be used with high impedance sources. The input and...
The configuration shown is a flip-flop that can be triggered by means of two push buttons normally...