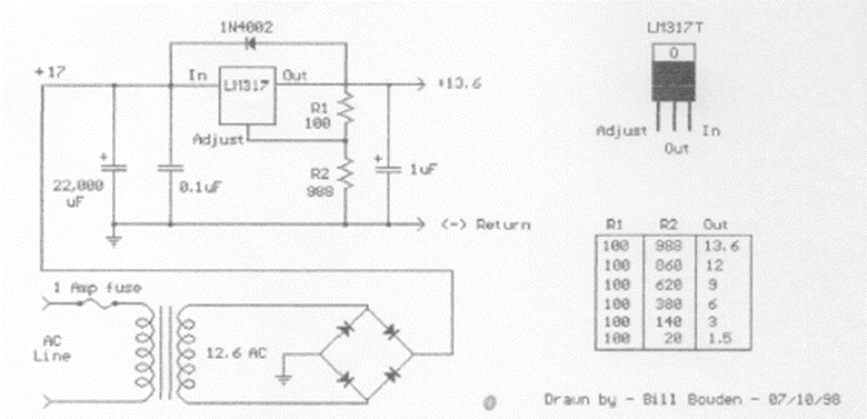
The diagram is from a 1990s document. The integrated circuit must be equipped with a heat sink. The table shows the component values for different output voltages.
The circuit presented was found in a Motorola documentation from 19761, but it can be assembled with a...
This mixer uses only four passive component and can be used with high impedance sources. The input and...
The configuration shown is a flip-flop that can be triggered by means of two push buttons normally...