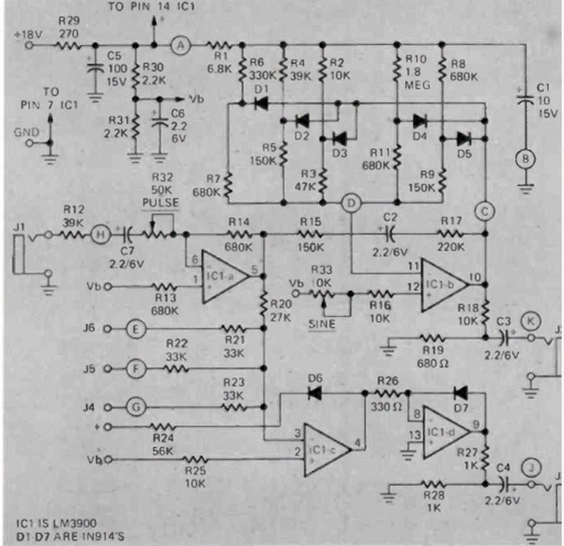
This circuit for music effects and synthesizers was found in a Radio Electronics issue from June 1974. The circuit also consists of a pulse width modulator.
The circuit presented was found in a Motorola documentation from 19761, but it can be assembled with a...
This mixer uses only four passive component and can be used with high impedance sources. The input and...
The configuration shown is a flip-flop that can be triggered by means of two push buttons normally...