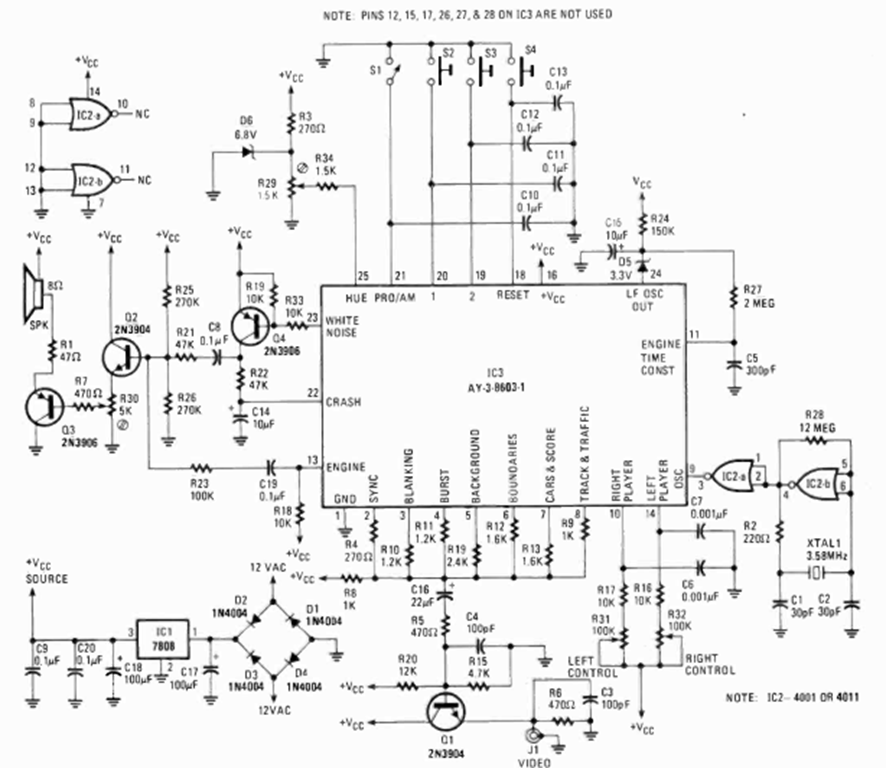
This is the traditional circuit from the 1980 racing video game with the AY3-6603-1 that we also published at the time in our magazines. This circuit is from the Radio Electronics magazine of August 1980.
Found in a 90s 303 Circuits, this circuit uses the KTY10 sensor, widely used at the time. | Clique na...
May 2016 - Mouser Electronics has in stock the new Grayhill 5-inch touch displays type 3D50. The...
This circuit was found in an English publication from 1976. It generates sequential signals in the...