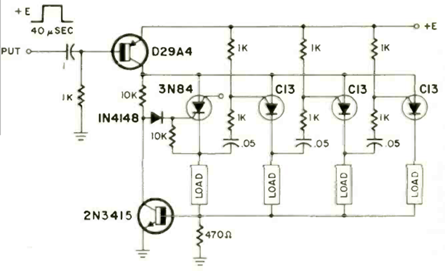
This circuit digitally counts input pulses. The circuit from a November 1970 Radio Electronics uses unijunction programmable transistors. Note the counted pulse duration.
This 1968 documentation circuit uses a relay to control loads up to 1 kW (depends on relay...
We found this conventional receiver circuit in a 1990 documentation. The circuit includes an audio...
This circuit for the positive front of a rectangular signal was found in an old documentation, but applies...