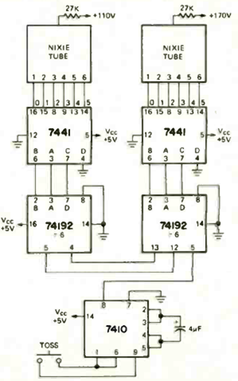
This simple TTL electronic dice uses common anode displays. The circuit is from a March 1975 Radio Electronics. The power supply must be 5 V.

This simple TTL electronic dice uses common anode displays. The circuit is from a March 1975 Radio Electronics. The power supply must be 5 V.
