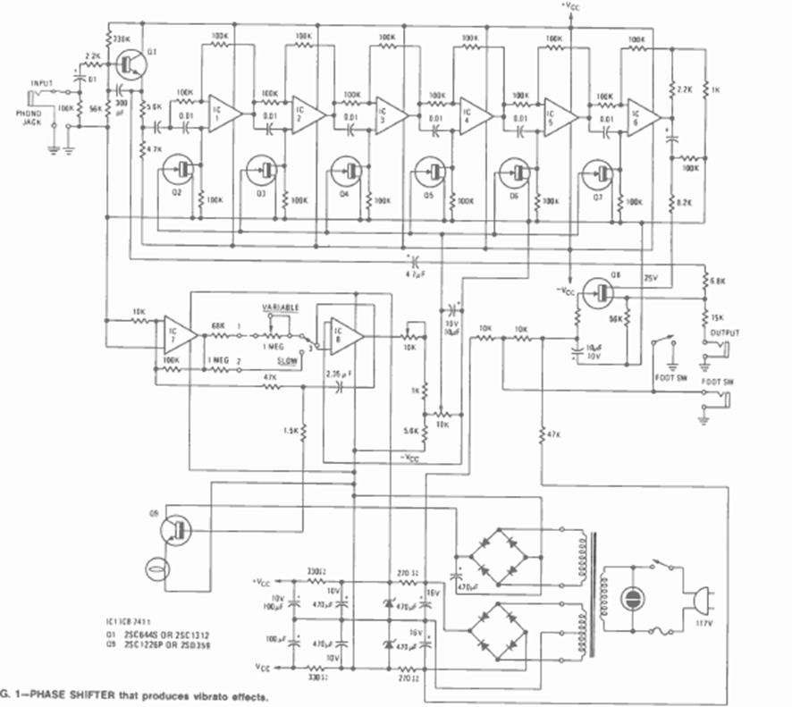
The purpose of this circuit found in the September 1977 issue of Radio Electronics magazine is to produce the vibrato effect. It is a phase shift circuit working with common operating systems.
This circuit, from a 1974 publication, can be assembled with BC548 transistors. If powered with 6 or...
We found this circuit with the CMOS4046 in the August 1994 Electronics Now magazine. The circuit is...
We found this circuit in an American 80's documentation. The circuit can be adapted to function as a...