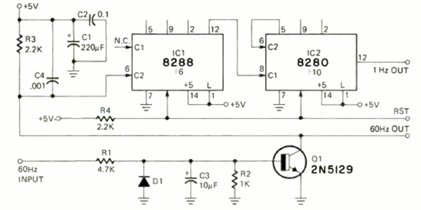
We found this time base circuit in a timer project from the August 1972 Radio Electronics magazine. The circuit takes advantage of the 60 Hz signal from the power grid.
We have already presented this circuit elsewhere on our website. This version of an English...
With this circuit it is possible to obtain an intermediate voltage of 6 V from a 12 V battery with...
This 9 V battery eliminator was found in Radio Electronics magazine from June 1966. The transistor is of...