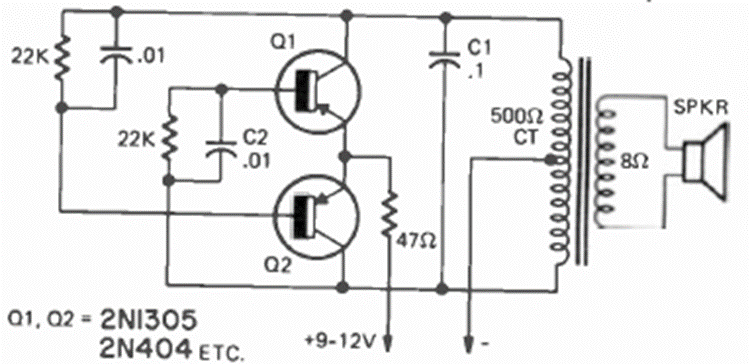
The circuit is suitable for calls in a residence and was published in the Radio Electronics magazine of September 1974. The transformer is from the output of radios or transistor amplifiers and the transistors are general-purpose types.
The circuit is suitable for calls in a residence and was published in the Radio Electronics magazine of September 1974. The transformer is from the output of radios or transistor amplifiers and the transistors are general-purpose types.