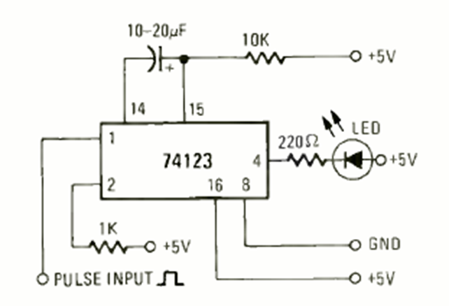
Using a 74123 TTL this circuit was found in the Radio Elecronics magazine of June 1975. The power supply must be 5 V. The capacitor determines the activation time.
We have already presented this circuit elsewhere on our website. This version of an English...
With this circuit it is possible to obtain an intermediate voltage of 6 V from a 12 V battery with...
This 9 V battery eliminator was found in Radio Electronics magazine from June 1966. The transistor is of...