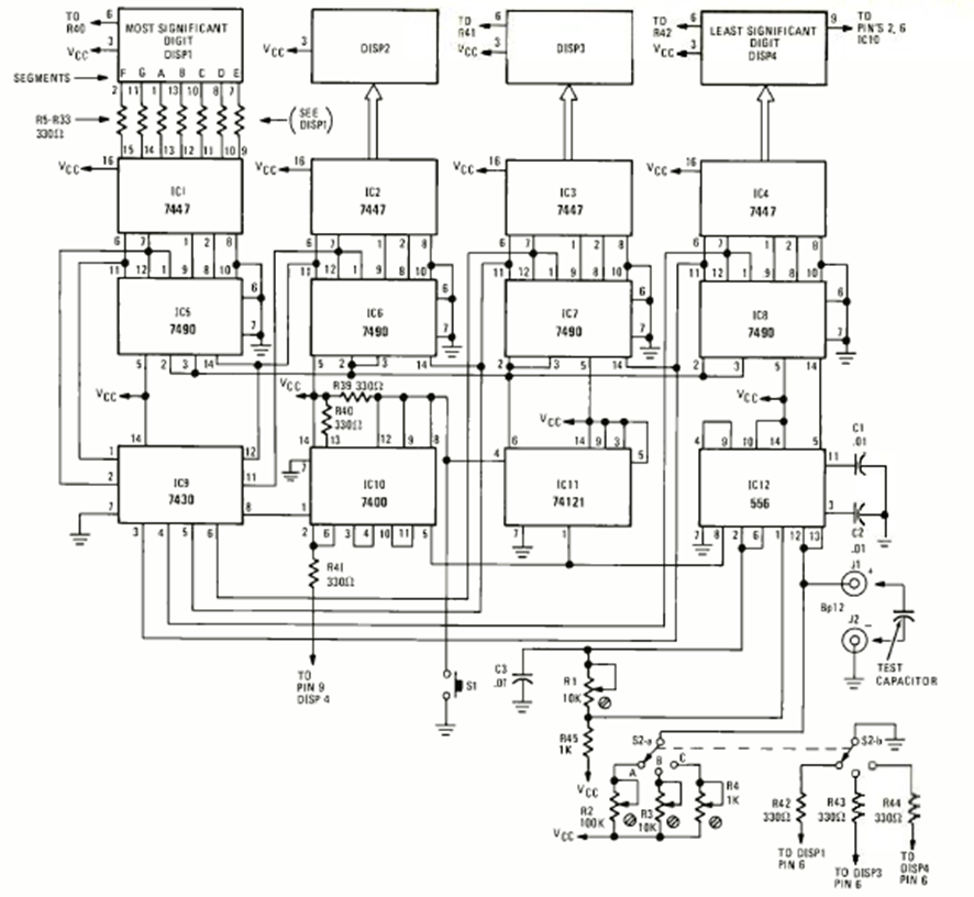
This circuit was found in the December 1977 issue of Radio Electronics magazine. The 4-digit circuit is based on TTL logic and must be powered by a voltage of 5 V.
This circuit, from a 1973 documentation, can be made with BC549 transistors. The frequency depends on...
Suggested by General Electric in a 1965 documentation, this circuit can use the TIC106 as an SCR....
This circuit is from an old Popular Electronics. The circuit is based on a 555 and a 5V voltage...