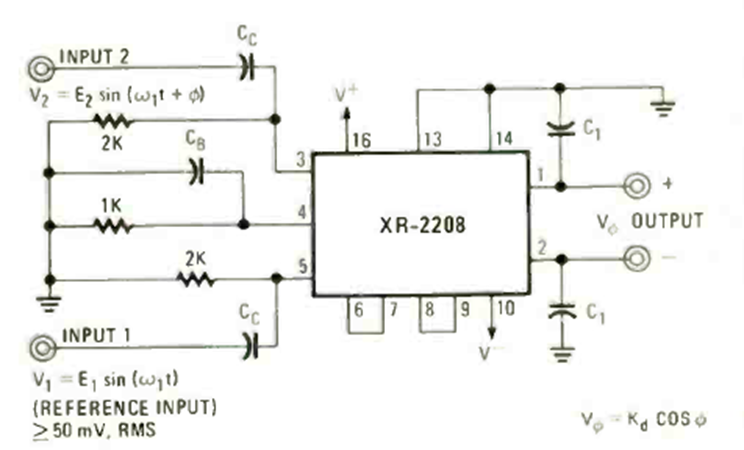
Found in the April 1978 issue of Radio Electronics magazine, this circuit is intended to be powered by a symmetrical 15 V source. The signals are low intensity.
Texas Instruments SN74HCS32 Q1 2-input OR gate This Texas Instruments integrated circuit has 4...
The output voltage is adjusted by the trimpot. The power transistor mist be mounted on a heatsink. The 3.9...
This alarm circuit was found in a 2004 documentation. The circuit searches for open NC sensors....