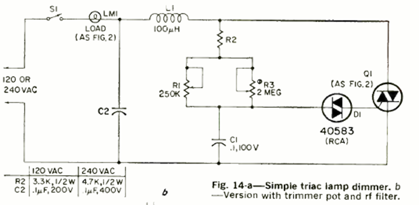
Another dimmer circuit. This dimmer for incandescent lamps was found in the July 1970 issue of Radio Electronics magazine. The triac must be equipped with a heat sink and its current must be adjusted according to the controlled load.
Another dimmer circuit. This dimmer for incandescent lamps was found in the July 1970 issue of Radio Electronics magazine. The triac must be equipped with a heat sink and its current must be adjusted according to the controlled load.