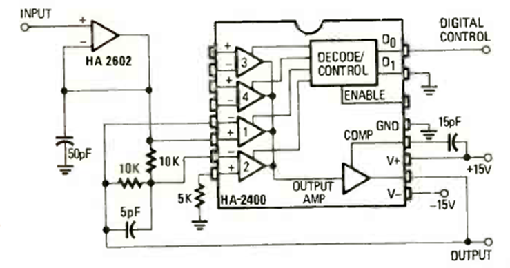
The circuit also works as a synchronized rectifier and balanced modulator. We found it in the March 1980 issue of Radio Electronics magazine. It uses the HÁ-2400, which had just been released at the time.
The circuit also works as a synchronized rectifier and balanced modulator. We found it in the March 1980 issue of Radio Electronics magazine. It uses the HÁ-2400, which had just been released at the time.