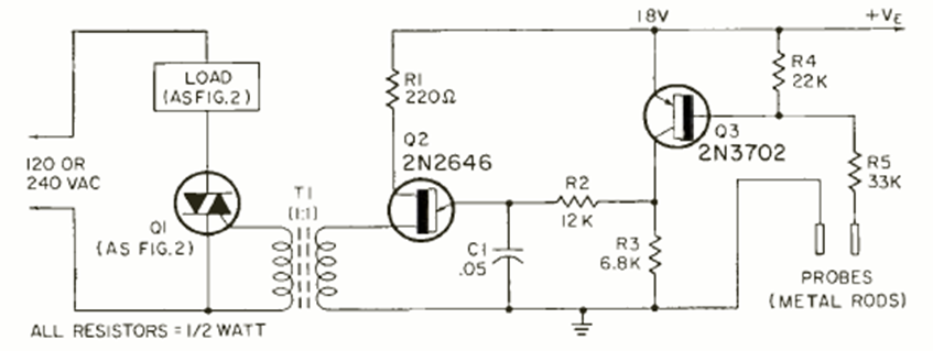
This circuit is from a July 1970 Radio Electronics magazine. The sensors are metal probes. The 18 V power source must be isolated from the mains.
Texas Instruments SN74HCS32 Q1 2-input OR gate This Texas Instruments integrated circuit has 4...
The output voltage is adjusted by the trimpot. The power transistor mist be mounted on a heatsink. The 3.9...
This alarm circuit was found in a 2004 documentation. The circuit searches for open NC sensors....